Kocišùv KAP koutek

Úvod
Drak Naviják KAP souprava I KAP souprava II Galerie

Po zkušenostech s KAP soupravou I. musel zákonitì pøijít upgrade na vyšší verzi. Požadavky jsem mìl tyto. Dálkovì ovládané naklápìní foáku nahoru, dolù a rotace kolem svislé osy. Dálkovì ovládaná spouš foáku. Také byla nutná zpìtná vazba. Tedy vidìt to, co vidí foák. Øešení je CCD kamera s AV vysílaèem. Také dálkové zapínání a vypínání kamery a AV vysílaèe z dùvodu velké spotøeby energie. Bohužel jsem nìjak zapomnìl na hmotnost. Že by teda nìjaká trojka? No uvidíme.
Dlouho jsem se rozhodoval, jaký použít vhodný zobrazovaè videa z CCD kamery.  Rùzné LCD displeje jsem nakonec zavrhl a rozhodl se použít notebook. A když už budu sledovat video na poèítaèi, proè to neovládat z poèítaèe celé, ne? To jsem si teda dal. Ale nakonec se to nìjak povedlo.

Souprava se skládá ze dvou hlavních èástí.  První èást je pozemní stanice dálkového ovládání øízená poèítaèem. Druhá èást je zavìšení fotoaparátu s øízením a mechanismy.

KAP pozemní stanice    KAP zavìšení foáku


Pozemní stanice

KAP základna    KAP základna    KAP základna
obsahuje pøijímaè video signálu, USB video kartu a elektroniku dálkového ovládání. Pøijímaè video signálu jsem použil z kompletu 1,2GHz 500mW Wireless AV Camera Transmitter/Receiver, koupeného z Hongkongu pøe eBay asi za 30 dolarù. USB video kartu jsem koupil opìt z Hongkongu pøe eBay. Je to typ EASY CAP Win7, cena byla asi 15 dolarù. Schválnì nedávám konkrétní odkazy, protože eBay aukce se stále mìní. Tedy i konkrétní stránky. Podle názvu komponentù byste je mìli s pøehledem najít vyhledávaèem. Elektroniku dálkového ovládání jsem bastlil sám. Tady se o tom trochu rozepíšu.

První, co jsem øešil byl výstup z poèítaèe. Potøeboval jsem 6 bitù (nahoru, dolù, vlevo, vpravo, spouš, kamera on/off). Nemám na notebooku seriový, natož paralelní port. Jen USBèka. To byl  pro lamu, jako jsem já pìknej prùser. Nastoupil mùj kámoš Google a za pár dní bylo rozhodnuto. Použil jsem modul UM245R od FTDI. Je to pøevodník z USB rozhraní na paralelní 8 bitové rozhraní. Na zkušební desku jsem osadil modul, rezistory a diody a zaèal laborovat se softwarem. Nejdøív jsem hledal nìjaký hotový program. Osvìdèil se mì USB 8 Relay Manager z www.denkovi.com. Funguje naprosto spolehlivì na XP aji ve win 7. Pak jsem teda zkoušel vytvoøit nìjaký vlastní program. Program je dìlaný ve Visual Basicu 2008. Podotýkám, že nejsem programátor, takže to pro mì nebylo vùbec lehké. Nìkolik týdnù jsem gùgloval, ale nakonec se ovoce urodilo.

Toto  je mùj testovací program pro ovládání výstupù z modulu UM245R


Pár lidí už mì kontaktovalo, jestli bych poskytnul zdrojový kód tohoto programu. Ten z videa už neexistuje, ale udìlal jsem podobný. UM245R controller. Ten si mùžete stáhnout
.
UM245R controller
UM245R controller
 DÙLEŽITÉ !!!  Než ho budete zkoušet, je tady jedna vìc. Modul používám jako virtuální com port (VCP). Spustím UM245R controller, vyberu com port, kliknu na nìkteré tlaèítko. LEDky nereagují a po pár dalších kliknutí program zamrzne. Aby program fungoval musím spustit  USB 8 Relay Manager, vybrat relay board. Horní lišta zezelená a objeví se text "Board found!". USB 8 Relay Manager ukonèím. Pak spustím mùj UM245R controller. Teï funguje. Bohužel nemám ponìtí, kde je chyba a byl bych strašnì šastný, kdyby mì s tím nìkdo pomohl.

Finální verze programu vypadá takto.
KAP ovládání
Tady bylo ještì potøeba vložit zobrazovaè videa z USB video karty. Je to ten èerný obdelník. Jak na video capture pro Visual Basic se mì podaøilo najít tady. Zdrojový kód pro KAP ovládání si mùžete samozøejmì stáhnout  taky. Èíslo seriového portu je tady nastaveno napevno, COM20. Staèí nastavit COM20 v nastavení FTDI virtuálního portu. Nezapomeòte, že i zde je ten stejný problém, jako v UM245R controlleru.

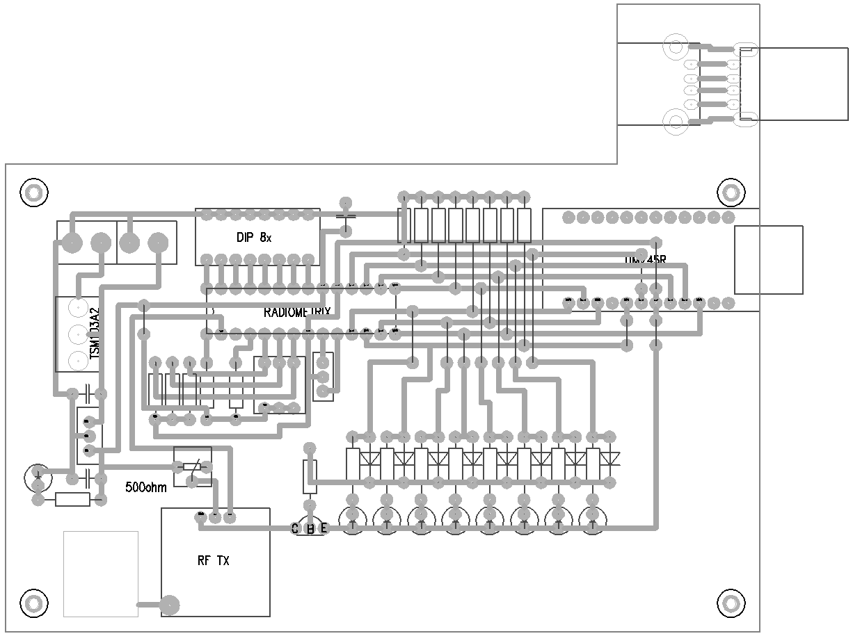
Teï už zbývalo jen poslat tyto bity do vzduchu. Výstupy z USB modulu jsou pøipojeny do 8 bitového kodéru. Kodér je použitý obvod CTA88 od firmy Radiometrix, koupený v ART-Brno. Výstup z kodéru je pøipojený na vstup RF vysílaèe. Vysílaè jsem nekoupil nikde jinde než na eBay. Najdete ho pod názvem "1000m RF Wireless Radio Transmitting Module TM1000-1
" Aji s dopravou stál asi 130,- kè
Kompletní schéma zapojení nemám. Ani není potøeba. Staèí zapojit obvody podle datalistù výrobcù a výstupy pøipojit ke vstupùm a je to. Jenom takový bonus navíc je spínání napájení  RF vysílaèe tranzistorem pøes osmici diod pøipojených k výstupùm z USB modulu. To proto, aby vysílaè vysílal jenom pøi nìkteré log1. Pokud je na výstupech všude log0, vysílaè nevysílá.  Návrh DPS jsem dìlal v AutoCADu. Sice jsem zkoušel nìco málo v Eaglu, ale nejsem s ním moc kamarád. Jestli by vám staèilo DWGèko z ACADu, tady je
.

Rozmístìní souèástek vysílaèe
Vysílaè souèástky    Vysílaè souèástky


Zavìšení fotoaparátu

KAP Rig    KAP Rig

Nosná èást zavìšení je opìt
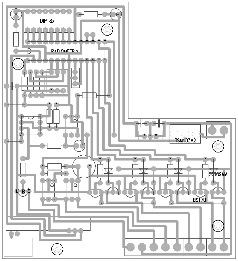
Picavetùk køíž, stejnì jako u jednièky. Obsahuje upravený fotoaparát, CCD kameru, vysílaè video signálu,  2 motory s pøevodovkou, pøijímaè dálkového ovládání s øídící elektronikou. Kamera je opìt èína z eBaye. Vysílaè video signálu  jsem použil z kompletu 1,2GHz 500mW Wireless AV Camera Transmitter/Receiver viz výše. Motory je možné koupit v snailinstruments nebo na eBay za polovièní cenu. Elektroniku trocho popíšu.
KAP Rig  KAP Rig  KAP Rig  KAP Rig

Pøijímaè je použitý "Wireless Radio Superheterodyne Receiver Module RM1SHS", hádejte odkud. Dekodér
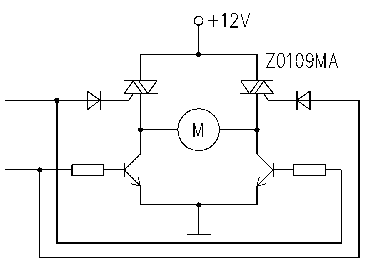
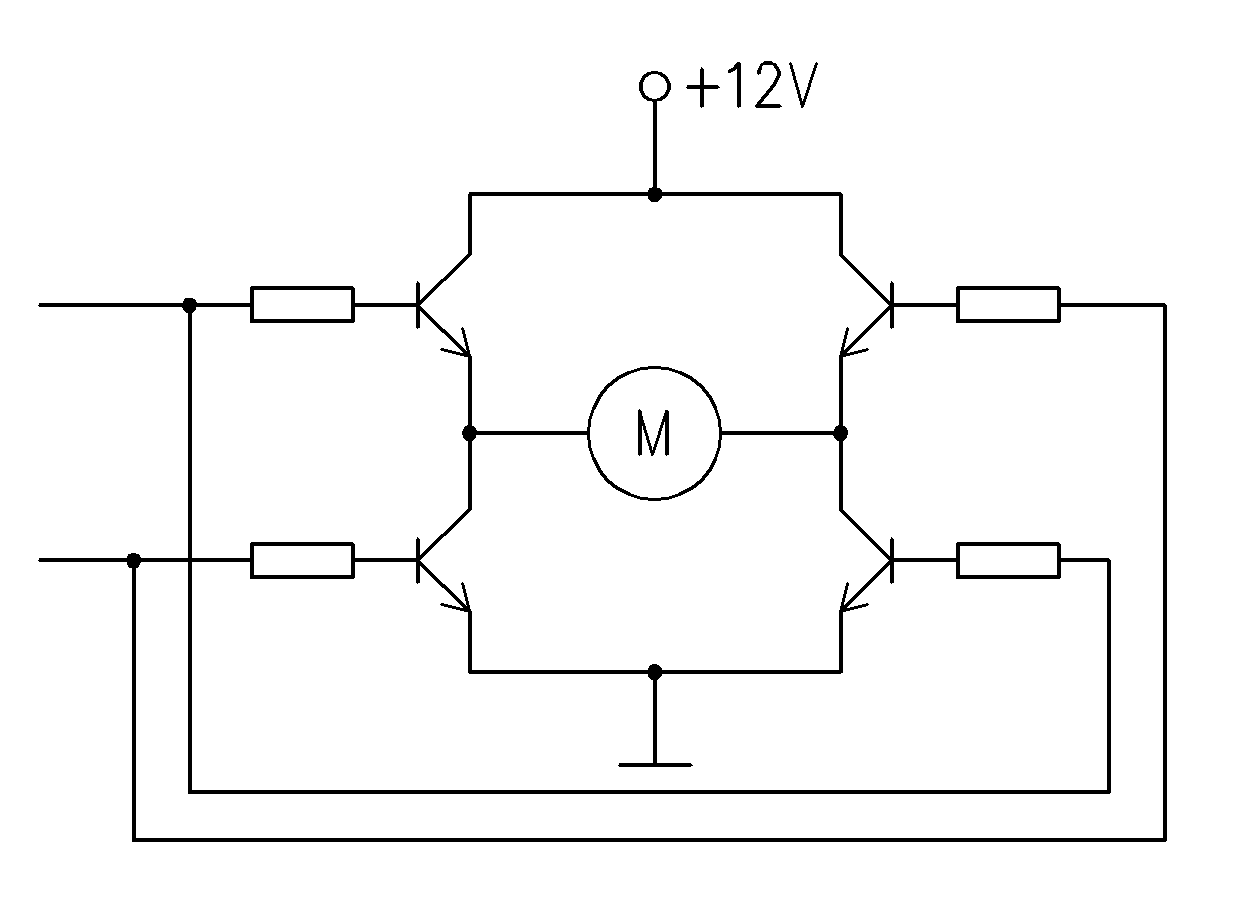
je CTA88 od firmy Radiometrix, koupený v ART-Brno. Je to stejný obvod jak pro kodér. Jakou bude mít obvod funkci urèuje zapojení bižuterky kolem obvodu. Všechno je v datalistu. Výstupy dekodéru jsou pøipojeny k jednotlivým zaøízením. Pro zapínání, vypínání kamery a AV vysílaèe slouží jednotlaèítkové on/off ovládání. Místo tlaèítka jsem použil optorelé AQV210. Tranzistor spíná napájení pro kameru a video vysílaè. Pro spínání kontaktù tlaèítka spouštì slouží dvì optorelé AQV210. Zpoždìní sepnutí spouštì po ostøení je øešené kondenzátorem s velkou kapacitou, stejnì jako u jednièky. Motory jsou napájené pøes H-mùstky. Trochu jsem s H-mùstkem laboroval. Pøi zapojení ètyø tranzistorù NPN, což mì napadlo jako první, nedostaneme do motoru vìtší napìtí, než je vstupní napìtí na bázi tranzistorù. Což v mém pøípadì log1 na dekodéru je 5V. Pokud máte 5V motory, staèí to. Pokud máte 12V motory, nestaèí. Zapojení se dvìma NPN a dvìma PNP tranzistory se mì nelíbilo. Pro PNP tranzistory je nutné invertovat výstup z dekodéru, takže pøidat další kurvítko. Ani google nepomohl. Po pár dnech jsem na to pøišel. Triak! Spodní tranzistory jsou NPN. To je v poøádku, motor je zapojený mezi napájení a kolektor. Pozdìji jsem NPN tranzistor nahradil mosfet tranzistorem N-kanál. Ten snese vìtší proud. Horní tranzistory jsem nahradil triaky. Pøi log1 dekodéru triak sepne. Pøi log0 se sice nerozepne, ale rozepne se spodní tranzistor. Tím pøestane obvodem protékat proud a triak se rozepne. Je to strašnì jednoduché, ale 100% funkèní. Dioda na øídící elektrodì triaku je ochrana proti nerozepnutí tranzistoru. Pøi sepnutí triaku protéká proud z napájení pøes hlavní elektrodu do øídící elektrody. To znamená, že by tekl proud i na bázi tranzistoru, ten by byl stále sepnutý.
H-mùstek, 4x NPN tranzistor
H - mùstek

H-mùstek, 2x triak, 2x NPN tranzistor
H - mùstek

Rozmístìní souèástek pøijímaèe
Pøijímaè souèástky    Pøijímaè souèástky

Nejdøív jsem vše osadil na zkušební desku.


Takto vypadá kompletní KAP souprava II